-
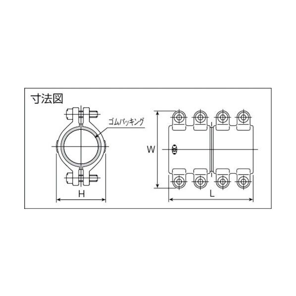
リケン LAカップリング ソケット (ロックリングなし)969円~ (税込)
■特徴日本水道協会認証登録品です。ゴムパッキンによって流体をシールする構造で、直接ぼうず管に接続できます。■用途水道、ガス、温水(コート品除く)、油などの配管。■仕様ゴムパッキン、ワッシャー付ロックリングなし日本水道協会認証登録品■材質可鍛鋳鉄(FCMB)...
-
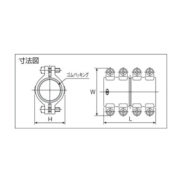
リケン LAカップリングHI-LA型 42 x 43 x 79 mm GHILAS15A 11,990円~ (税込)
■特徴日本水道協会認証登録品です。■用途水道、ガス、温水(コート品除く)、油などの配管。■仕様ゴムパッキン、ワッシャー付ロックリング付(抜け防止)日本水道協会認証登録品■材質可鍛鋳鉄(FCMB)...
タイプ: ソケット -
リケン LAカップリング オスアダプター1,490円~ (税込)
特徴日本水道協会認証登録品です。■用途水道、ガス、温水(コート品除く)、油などの配管。■仕様ゴムパッキン付日本水道協会認証登録品■材質可鍛鋳鉄(FCMB)仕様サイズ43 x 43 x 65 mm重量185.000G材質●可鍛鋳鉄(FCMB)原産国日本GHILAAP15A __snahost = "r3.snva.jp"; recoConstructer( } }); ...
-
児玉工業 鋼管用圧着ソケット(直管専用型) ハーフタイプ5,390円~ (税込)
【特徴】 ●パイプの中身を抜かずに、運転中に漏れ止めができますから、設備の稼働停止や、エア抜きなどは一切不要です。 ●鋼管直管のピンホールや腐食漏れの箇所を修理することができます。 ●取り付けや締め込みは至って簡単です。 単にネジを締めるだけですから、5~10分で作業は完了します。 【用途】 ●運転の止められないホテル・マンション・病院・工場などの緊急時の補修に。 ●水や油の漏れに対し、運転を止めずに行う緊急補修用。 【仕様】 ●最高使用圧力(MPa):2 ●使用温度範囲(℃):-30~130 ●耐圧力(MPa):2 ●適合六角レンチ(mm):12 ●適用流体:水・湯・油・蒸気 ●サイズ(mm)L×W×H:90×268×198 ●タイプ:ハーフ ●耐熱温度(℃):-30~130 ●耐圧力:2MPa ●使用温度範囲:-30~130℃ 【材質】 ●外側金具:ダクタイル鋳鉄 ●内部ゴムパッキン:特殊耐熱剤配合高ニトリルゴム ●内部ゴムパッキン:特殊耐熱剤配合高ニトリルゴム 【付属品】 ●65A以上は、六角レンチとパイプハンドルが付属...
タイプ: ハーフ -
児玉工業 鋼管用圧着ソケット 継手部・直管部兼用型6,290円~ (税込)
■特長 パイプの中身を抜かずに、運転中に漏れ止めができますから、設備の稼動停止や、エア抜きなどは一切不要です。 鋼管のチーズ・エルボ・ソケットなどの継手部のねじ切り箇所からの漏れや、直管部のピンホールの漏れも修理することができます。 取り付けや締め込みは至って簡単です。 単にねじを締めるだけですから、5~10分で作業は完了します。 直管部はもとより、継手(エルボ・チーズ・ソケットなど)との接続部も漏れ止めができます。 ■用途 運転の止められないホテル・マンション・病院・工場などの緊急時の補修に。 水や油の漏れに対し、運転を止めずに行う緊急補修用。 ■仕様 呼び径A:65 呼び径B:2 1/2 サイズ(mm)L×W×H:70×172×120 適合六角レンチ(mm):10 使用温度範囲(℃):-30~130 最高使用圧力(MPa):2 適用流体:水・湯・油・蒸気 耐圧力(MPa):2 パイプの中身を抜かずに、運転中に漏れ止めができますから、設備の稼動停止や、エア抜きなどは一切不要です。 鋼管のチーズ・エルボ・ソケットなどの継手部のねじ切り箇所からの漏れや、直管部のピンホールの漏れも修理することができます。 取り付けや締め込みは至って簡単です。 単にねじを締めるだけですから、5~10分で作業は完了します。 直管部はもとより、継手(エルボ・チーズ・ソケットなど)との接続部も漏れ止めができます。...
-
児玉工業 圧着ソケット銅管直管専用型6,590円~ (税込)
コダマ 圧着ソケット銅管直管専用型 125 x 103 x 78 mm CPL40A●パイプの中身を抜かずに、運転中に漏れ止めができますから、設備の稼動停止や、エア抜きなどは一切不要です。●銅管直管のピンホールや腐食漏れの箇所を修理することができます。●取り付けや締め込みは至って簡単です。単にネジを締めるだけですから、5~10分で作業は完了します。●運転の止められないホテル・マンション・病院・工場などの緊急時の補修に。 コダマ 圧着ソケット銅管直管専用型 125 x 103 x 78 mm CPL40Aの特徴●呼び径(A):40●呼び径(B):11/2●適合六角レンチ(mm):8●サイズ(mm)L×W×H:65×112×66●耐圧力:1MPa●使用温度範囲:-30~80℃ コダマ 圧着ソケット銅管直管専用型 125 x 103 x 78 mm CPL40Aの仕様重量0.800KG材質●外部:ダクタイル鋳鉄(FCD450)●内部:ニトリルゴム原産国日本CPL40A __snahost = "r3.snva.jp"; recoConstructer( } }); ...
-
児玉工業 銅管用圧着ソケット 継手部・直管部兼用型6,590円~ (税込)
■特長 パイプの中身を抜かずに、運転中に漏れ止めができますから、設備の稼動停止や、エア抜きなどは一切不要です。 銅管のチーズ・エルボ・ソケットなどの継手部の接続箇所からの漏れや、直管部のピンホールの漏れも修理することができます。 取り付けや締め込みは至って簡単です。 単にねじを締めるだけですから、5~10分で作業は完了します。 直管部はもとより、継手(エルボ・チーズ・ソケットなど)との接続部も漏れ止めができます。 ■用途 運転の止められないホテル・マンション・病院・工場などの緊急時の補修に。 水や油の漏れに対し、運転を止めずに行う緊急補修用。 ■仕様 呼び径A:65 呼び径B:2 1/2 サイズ(mm)L×W×H:70×146×95 適合六角レンチ(mm):10 使用温度範囲(℃):-30~80 耐圧力(MPa):1 最高使用圧力(MPa):1 適用流体:水・湯・油 パイプの中身を抜かずに、運転中に漏れ止めができますから、設備の稼動停止や、エア抜きなどは一切不要です。 銅管のチーズ・エルボ・ソケットなどの継手部の接続箇所からの漏れや、直管部のピンホールの漏れも修理することができます。 取り付けや締め込みは至って簡単です。 単にねじを締めるだけですから、5~10分で作業は完了します。 直管部はもとより、継手(エルボ・チーズ・ソケットなど)との接続部も漏れ止めができます。...
-
ショーボンドマテリアル ストラブ・クランプ Cタイプ 水・温水・空気・薬品用6,490円~ (税込)
特徴直管の溶接部やピンホール、腐食割れした部分の漏洩補修に最適です。流体を止めることなく作業できます。軽量で一体構造のため、部品の脱落が無く安全に取付できます。■用途各種配管の補修に。■仕様適合配管:配管用炭素鋼鋼管/VLP/PLP/ステンレス鋼管/鋼管サイズのPE管流体温度(℃):-30~100℃使用圧力:液体/1.0MPa、空気などの気体/0.7MPa日本水道協会認証品■材質ケーシング/ボルト:ステンレス(SUS304)●ゴム:EPDM仕様サイズ72 x 72 x 57 mm重量0.29 kg原産国日本入数1個C20ES __snahost = "r3.snva.jp"; recoConstructer( } }); ...
-
児玉工業 鋼管用圧着ソケット(直管専用型) ロングタイプ8,390円~ (税込)
■特長 パイプの中身を抜かずに、運転中に漏れ止めができますから、設備の稼働停止や、エア抜きなどは一切不要です。 鋼管直管のピンホールや腐食漏れの箇所を修理することができます。 取り付けや締め込みは至って簡単です。 単にネジを締めるだけですから、5~10分で作業は完了します。 ■用途 運転の止められないホテル・マンション・病院・工場などの緊急時の補修に。 水や油の漏れに対し、運転を止めずに行う緊急補修用。 ■仕様 呼び径A:150 呼び径B:6 サイズ(mm)L×W×H:180×268×198 適合六角レンチ(mm):12 タイプ:ロング 耐熱温度(℃):-30~130 使用温度範囲(℃):-30~130 耐圧力(MPa):2 適用流体:水・湯・油・蒸気 最高使用圧力(MPa):2 パイプの中身を抜かずに、運転中に漏れ止めができますから、設備の稼働停止や、エア抜きなどは一切不要です。 鋼管直管のピンホールや腐食漏れの箇所を修理することができます。 取り付けや締め込みは至って簡単です。 単にネジを締めるだけですから、5~10分で作業は完了します。...
タイプ: ロング -
川西水道機器 ポリエチレン管×塩ビ管用 SKXソケット1,890円~ (税込)
■特徴分解不要、管を挿し込んで締めるだけで接続できます。管上スライド可能により補修や修繕工事に最適です。伸縮可とう機能があり外力を吸収できます。簡単施工で異種管接続ができます。■用途上水道配管、排水配管、海水配管、エア配管など。■仕様使用温度:0~45℃使用圧力:1MPa■材質バーミキュラ鋳鉄...
最高使用圧力(MPa): 1使用温度範囲(℃): 0~45L1(mm)最小: 10 -
川西水道機器 異種管継手 塩ビ管×鋼管用1,890円~ (税込)
■特徴分解不要、管を挿し込んで締めるだけで接続できます。簡単施工で異種管接続ができます。離脱防止金具付で、管の抜けを防ぎます。伸縮可とう機能があり外力を吸収できます。■用途上水道配管、排水配管、海水配管、エア配管など。■仕様使用温度:0~45℃使用圧力:1MPa■材質バーミキュラ鋳鉄...
最高使用圧力(MPa): 1使用温度範囲(℃): 0~45L1(mm)最小: 10 -
川西水道機器 鉛管1種×塩ビ管用異種継手 X鉛管用異種ソケット V13×ネオ16 SKX-S-V13XN16 1点1,690円~ (税込)
■特徴簡単に早く管接続ができます。パイプを突っ込んで締めるだけで施工完了です。伸縮可とう機能があり外力を吸収できます。取り外し、再施工が簡単にでき、補修材料にも適しています。鉛管との異種管接続が簡単施工でできます。SKXは伸縮可とう機能があり外力を吸収できます。鉛管の補修材料として適しています。※鉛管側にはネオSK鉛管インコア(別売)をご使用ください。※接続前に鉛管の種類(1種、2種)をご確認ください。■用途 上水道配管、排水配管、海水配管、エア配管など。■仕様使用温度:0~45℃使用圧力:1MPa■材質バーミキュラ鋳鉄■注意点鉛管側にはネオSK鉛管インコア(別売)をご使用ください。接続前に鉛管の種類(1種、2種)をご確認ください。...
最高使用圧力(MPa): 1使用温度範囲(℃): 0~45L1(mm)最小: 10 -
リケン LAカップリング メスアダプター1,490円~ (税込)
特徴日本水道協会認証登録品です。■用途水道、ガス、温水(コート品除く)、油などの配管。■仕様ゴムパッキン付日本水道協会認証登録品■材質可鍛鋳鉄(FCMB)仕様サイズ42 x 42 x 62 mm重量180.000G材質●可鍛鋳鉄(FCMB)原産国日本GHILAAQ15A __snahost = "r3.snva.jp"; recoConstructer( } }); ...
-
川西水道機器 塩ビ管用(離脱防止金具付タイプ)1,890円~ (税込)
■特徴分解不要、管を挿し込んで締めるだけで接続できます。伸縮可とう機能があり外力を吸収できます。取り外し、再施工が簡単にでき、補修材料にも適しています。取り外し、再施工が簡単にでき、仮設配管にも適しています。管の面取りや接着剤塗布が不要で接続できます。■用途上水道配管、排水配管、海水配管、エア配管など。■仕様使用温度:0~45℃使用圧力:1MPa■材質バーミキュラ鋳鉄...
最高使用圧力(MPa): 1使用温度範囲(℃): 0~45L1(mm)最小: 10 -
ショーボンドマテリアル ストラブ・グリップ Gタイプ水・温水用8,790円~ (税込)
ショーボンドマテリアル SHO-BONDカップリングストラブ・グリップGタイプ20A水・温水用 47.3 x 65 x 48.5 mm G-20ESS●溶接・ ネジ切り不要で、トルクレンチ一本で配管を接続できます。●グリップリングとシールゴムにより、高い耐脱管性能とシール性能を実現しました。●作業時間短縮で人的コストを削減できます。●給水、給湯、冷温水、排水など各種配管の接続に。ショーボンドマテリアル SHO-BONDカップリングストラブ・グリップGタイプ20A水・温水用 47.3 x 65 x 48.5 mm G-20ESSの特徴●呼び径(A):20●呼び径(B):3/4●ケーシング幅(mm):47.3●ゴムリップ間隔(mm):18●締付けボルト六角穴サイズ(mm):5●標準トルク値(N・ m):6●適用配管:配管用炭素鋼鋼管/VLP/PLP/ステンレス鋼管●適用流体:水、温水、空気、薬品●流体温度:-30℃~90℃(蒸気ではご利用になれません)●使用圧力:水、薬品/鋼管2.0MPa、SUS管1.6MPa空気/1.0MPa給湯/80℃以下の場合は水と同様、80℃~90℃の場合は1.0MPa●日本水道協会認証品ショーボンドマテリアル SHO-BONDカップリングストラブ・グリップGタイプ20A水・温水用 47.3 x 65 x 48.5 mm G-20ESSの仕様 材質●ケーシング/ボルト:ステンレス(SUS304)●ゴム:EPDM 原産国日本G20ESS __snahost = "r3.snva.jp"; recoConstructer( } }); ...
-
リケン LAカップリング チーズ2,490円~ (税込)
特徴日本水道協会認証登録品です。ゴムパッキンにより流体をシールするため、管にねじ切り加工をする必要がありません。■用途水道、ガス、温水(コート品除く)、油などの配管。■仕様日本水道協会認証登録品ゴムパッキン付■材質可鍛鋳鉄(FCMB)仕様重量330.000G材質●可鍛鋳鉄(FCMB)原産国日本GHILAT15A __snahost = "r3.snva.jp"; recoConstructer( } }); ...
-
児玉工業 圧着ソケット塩ビ管兼用型5,890円~ (税込)
コダマ 圧着ソケット塩ビ管兼用型 130 x 103 x 70 mm VP30A●パイプの中身を抜かずに、運転中に漏れ止めができますから、設備の稼動停止や、エア抜きなどは一切不要です。●50A以下はバンド(つば)なしの継手に対応しています。(65A以上は継手のバンド(つば)の有無に関係なく使用できます)●塩ビ管とTS継手との接続箇所からの漏れや、直管部からの漏れも修理することができます。●取り付けや締め込みが簡単です。●ねじを締めるだけなので、5~10分で作業は完了します。●直管部はもとより、継手(エルボ・チーズ・ソケットなど)との接続部も漏れ止めができます。●運転の止められないホ コダマ 圧着ソケット塩ビ管兼用型 130 x 103 x 70 mm VP30Aの特徴●呼び径(A):30●呼び径(B):1 1/4●適合六角レンチ(mm):8●呼び径(mm):40.80●サイズ(mm)L×W×H:55×117×71●耐圧力:1MPa●使用温度範囲:-30~90℃ コダマ 圧着ソケット塩ビ管兼用型 130 x 103 x 70 mm VP30Aの仕様重量0.800KG材質●外部:ダクタイル鋳鉄(FCD450)●内部:ニトリルゴム原産国日本VP30A __snahost = "r3.snva.jp"; recoConstructer( } }); ...
-
児玉工業 鋼管用圧着ソケット(マルチ継手型)9,290円~ (税込)
児玉工業 圧着ソケット鋼管マルチ継手型100A M100A 1点特徴・パイプの中身を抜かずに、運転中に漏れ止めができますから、設備の稼動停止や、エア抜きなどは一切不要です。・鋼管と様々なねじ込み継手(バルブ・フランジ・ドレンねじ・ユニオンなど)との接続箇所からの漏れを止めることができます。・取り付けや締め込みは至って簡単です。単にネジを締めるだけですから、5~10分で作業は完了します。用途・運転の止められないホテル・マンション・病院・工場などの緊急時の補修に。・水や油の漏れに対し、運転を止めずに行う緊急補修用。仕様・呼び径A:100・呼び径B:4・サイズ(mm)L×W×H:59×202×144・適合六角レンチ(mm):10・14・最高使用圧力(MPa):1・適用流体:水・湯・油・蒸気・耐圧力(MPa):1・使用温度範囲(℃):-30~130・耐圧力:1MPa・使用温度範囲:-30~130℃材質・外側金具:ダクタイル鋳鉄・内部ゴムパッキン:特殊耐熱剤配合高ニトリルゴムセット内容/付属品・65A以上は、六角レンチとパイプハンドルが付属注意・フランジは片側(ボルトの六角頭がある側)のみ使用可能です。・直管部にはご使用いただけません。特徴仕様重量3330gM100A...
-
川西水道機器 塩ビ管用継手 ネオSKソケットV651,190円~ (税込)
特徴分解不要、管を挿し込んで締めるだけで接続できます。伸縮可とう機能があり外力を吸収できます。取り外し、再施工が簡単にでき、補修材料にも適しています。■用途 上水道配管、排水配管、海水配管など。■仕様使用温度:0~45℃使用圧力:1MPa■材質バーミキュラ鋳鉄仕様材質●バーミキュラ鋳鉄原産国日本SKSV100 __snahost = "r3.snva.jp"; recoConstructer( } }); ...
最高使用圧力(MPa): 1使用温度範囲(℃): 0~45 -
川西水道機器 異種ソケット 鉛管×塩ビ管接続用(鉛管2種対応)1,690円~ (税込)
■特徴簡単に早く管接続ができます。パイプを突っ込んで締めるだけで施工完了です。伸縮可とう機能があり外力を吸収できます。取り外し、再施工が簡単にでき、補修材料にも適しています。鉛管との異種管接続が簡単施工でできます。SKXは伸縮可とう機能があり外力を吸収できます。鉛管の補修材料として適しています。※鉛管側にはネオSK鉛管インコア(別売)をご使用ください。※接続前に鉛管の種類(1種、2種)をご確認ください。■用途 上水道配管、排水配管、海水配管、エア配管など。■仕様使用温度:0~45℃使用圧力:1MPa■材質バーミキュラ鋳鉄■注意点鉛管側にはネオSK鉛管インコア(別売)をご使用ください。接続前に鉛管の種類(1種、2種)をご確認ください。...
最高使用圧力(MPa): 1使用温度範囲(℃): 0~45 -
川西水道機器 鋼管用継手 ネオSKソケット651,290円~ (税込)
■特徴分解不要、管を挿し込んで締めるだけで接続できます。伸縮可とう機能があり外力を吸収できます。取り外し、再施工が簡単にでき、補修材料にも適しています。■用途 上水道配管、排水配管、海水配管など。■仕様使用温度:0~45℃使用圧力:1MPa■材質バーミキュラ鋳鉄...
最高使用圧力(MPa): 1使用温度範囲(℃): 0~45 -
ショーボンドマテリアル ストラブ・グリップ GXタイプ7,590円~ (税込)
ショーボンドマテリアル カップリング ストラブ・グリップ GXタイプ20A 水・温水用 55 x 56 x 46 mm GX-20E●メタルタッチ構造でトルクレンチ不要となり、施工管理がさらに簡単になりました。●給水、給湯、冷温水、排水など各種配管に。ショーボンドマテリアル カップリング ストラブ・グリップ GXタイプ20A 水・温水用 55 x 56 x 46 mm GX-20Eの特徴●呼び径(A):20●呼び径(B):3/4●ケーシング幅(mm):47.3●ゴムリップ間隔(mm):18●締付けボルト六角穴サイズ(mm):5●適用配管:配管用炭素鋼鋼管/VLP/PLP/ステンレス鋼管/鋼管外径のVP●適用流体:水、温水、空気、薬品●流体温度:-30℃~90℃(蒸気ではご利用になれません)●使用圧力:水、薬品/1.6MPa空気/1.0MPa給湯/80℃以下の場合1.6MPa、80℃~90℃の場合は1.0MPa●日本水道協会認証品ショーボンドマテリアル カップリング ストラブ・グリップ GXタイプ20A 水・温水用 55 x 56 x 46 mm GX-20Eの仕様 材質●ケーシング/ボルト:ステンレス(SUS304)●ゴム:EPDM 原産国日本GX20E __snahost = "r3.snva.jp"; recoConstructer( } }); ...
-
ショーボンドマテリアル ストラブ・ワイドクランプCWタイプ水・油・ガス用23,900円~ (税込)
特徴広範囲にわたるピンホールや腐食割れを補修できます。流体を止めることなく作業できます。■用途各種配管の補修に。■仕様適合配管:配管用炭素鋼鋼管、水道用鋳鉄管、ステンレス鋼管など流体温度:-10~60℃使用圧力:液体/1.0MPa、空気・有機ガス/0.5MPa65A~200Aは日本水道協会認証品■材質ケーシング/ボルト:ステンレス(SUS304)(Cタイプの50A~150Aのボルトはクロムモリブデン鋼)ゴム:NBR仕様重量1.4 kg原産国日本CW40N2 __snahost = "r3.snva.jp"; recoConstructer( } }); ...
-
イノック イノクイック (ワンタッチタイプ) 雄アダプタ付ソケット1,390円~ (税込)
■特徴ワンタッチ式で施工時間を大幅に短縮できます。■用途屋内の給水・給湯用。■仕様流体温度(℃):80℃以下管内圧力:1.0MPa以下管種:一般配管用ステンレス鋼管(JIS G3448)■材質ボディー:SCS13A(SUS304)、Oリング:EPDM(エチレンプロピレンゴム)、カートリッジリング:真鍮(ニッケルメッキ)、リリースリング:アセタールコポリマー、グラブリング:ステンレス(特殊■注意点適合管種以外に接合しないでください。パイプ接合時には、潤滑油や接着剤を使用しないでください。パイプの外面にキズがある場合、その部分を切断し、傷のない部分で接合してください。継手は絶対に分解しないでください。施工の際は必ず専用ラインマーカー、リムーバーを使用してください。...
-
川西水道機器 ポリエチレン管(離脱防止金具付タイプ)1,890円~ (税込)
■特徴分解不要、管を挿し込んで締めるだけで接続できます。伸縮可とう機能があり外力を吸収できます。取り外し、再施工が簡単にでき、補修材料にも適しています。取り外し、再施工が簡単にでき、仮設配管にも適しています。インコア不要で接続できます。■用途上水道配管、排水配管、海水配管、エア配管など。■仕様使用温度:0~45℃使用圧力:1MPa■材質バーミキュラ鋳鉄...
最高使用圧力(MPa): 1使用温度範囲(℃): 0~45L1(mm)最小: 10 -
ショーボンドマテリアル ストラブ・クランプ Cタイプ 油・ガス・水用6,990円~ (税込)
■特徴直管の溶接部やピンホール、腐食割れした部分の漏洩補修に最適です。流体を止めることなく作業できます。軽量で一体構造のため、部品の脱落が無く安全に取付できます。■用途各種配管の補修に。■仕様適合配管:配管用炭素鋼鋼管/VLP/PLP/ステンレス鋼管/鋼管サイズのPE管流体温度(℃):-20~80℃使用圧力:液体/1.0MPa、ガスなどの気体/0.7MPa■材質ケーシング:ステンレス(SUS304)●ボルト:クロモリ●ゴム:NBR...
-
ショーボンドマテリアル -BOND ストラブ・クランプ Cタイプ 80A 水・温水用12,900円~ (税込)
■特長 直管同士の突合せ溶接部のピーンホールや、腐食割れ部からの漏洩を、断水しないで補修できます。 流体を止めることなく作業できます。 ■用途 各種配管の補修に。 水・温水用 ■仕様 ケーシング幅(mm):92.5...
-
イノック イノクイック (ワンタッチタイプ) 雌アダプタ付ソケット1,590円~ (税込)
■特徴ワンタッチ式で施工時間を大幅に短縮できます。■用途屋内の給水・給湯用。■仕様流体温度(℃):80℃以下管内圧力:1.0MPa以下管種:一般配管用ステンレス鋼管(JIS G3448)■材質ボディー:SCS13A(SUS304)、Oリング:EPDM(エチレンプロピレンゴム)カートリッジリング:真鍮(ニッケルメッキ)、リリースリング:アセタールコポリマー、グラブリング:ステンレス(特殊処理)、プロテクションリング:ナイロン■注意点適合管種以外に接合しないでください。パイプ接合時には、潤滑油や接着剤を使用しないでください。パイプの外面にキズがある場合、その部分を切断し、傷のない部分で接合してください。継手は絶対に分解しないでください。施工の際は必ず専用ラインマーカー、リムーバーを使用してください。...
-
ノーブランド パイプ継手 チーズ(ねじ止め付)759円~ (税込)
■特徴三方向用のパイプジョイント金具です。止ネジにより取り付けるパイプ部分を固定できます。■材質亜鉛ダイカスト表面処理:クロームメッキ仕上げ...
-
イノック イノクイック (ワンタッチタイプ) ソケット1,290円~ (税込)
■特徴ワンタッチ式で施工時間を大幅に短縮できます。■用途屋内の給水・給湯用。■仕様流体温度(℃):80℃以下管内圧力:1.0MPa以下管種:一般配管用ステンレス鋼管(JIS G3448)■材質ボディー:SCS13A(SUS304)、Oリング:EPDM(エチレンプロピレンゴム)、カートリッジリング:真鍮(ニッケルメッキ)、リリースリング:アセタールコポリマー、グラブリング:ステンレス(特殊■注意点適合管種以外に接合しないでください。パイプ接合時には、潤滑油や接着剤を使用しないでください。パイプの外面にキズがある場合、その部分を切断し、傷のない部分で接合してください。継手は絶対に分解しないでください。施工の際は必ず専用ラインマーカー、リムーバーを使用してください。...
z(mm): 1 -
フジテック・ジャパン パイプ継手 ストレート(ねじ止め付)879円~ (税込)
■特徴ストレートにパイプを固定する為のジョイント金具です。止ネジにより取り付けるパイプ部分を固定できます。■材質亜鉛ダイカスト表面処理:クロームメッキ仕上げ...
-
ショーボンドマテリアル SBソケットSタイプ水・温水・空気・薬品用6,890円~ (税込)
特徴給排水管などのねじ込み部からの漏洩を補修することができます。流体を止めることなく作業できます。一本ボルトで簡単、安全に取付できます。■用途一般ねじ継手のねじ部からの漏洩の補修に。■仕様適合配管:ねじ込み式可鍛鋳鉄製管継手(JIS B2301)、ねじ込み式排水管継手(JIS B 2303)流体温度(℃):-30~100℃使用圧力:液体/1.0MPa、空気などの気体/0.7MPa■材質ケーシング/ボルト:ステンレス(SUS304)●ゴム:EPDM仕様サイズ72 x 72 x 57 mm重量0.29 kg原産国日本SB20SE __snahost = "r3.snva.jp"; recoConstructer( } }); ...
-
川西水道機器 カワニシ 鋼管用継手 X分止水栓用ソケット16 SKX-BS-16 1点1,590円~ (税込)
■特徴分解不要、管を挿し込んで締めるだけで接続できます。管上スライド可能により補修や修繕工事に最適です。伸縮可とう機能があり外力を吸収できます。取り外し、再施工が簡単にでき、補修材料にも適しています。ねじ切り作業不要で接続できます。■用途上水道配管、排水配管、海水配管、エア配管などに。■仕様使用圧力:1MPa■材質バーミキュラ鋳鉄...
最高使用圧力(MPa): 1使用温度範囲(℃): 0~45 -
川西水道機器 SKXパイプエンド 塩ビ管用1,190円~ (税込)
■特徴簡単に早く管接続ができます。分解不要で、管を挿し込んで締めるだけで接続可能です。伸縮可とう機能があり、外力を吸収できます。取り外し、再施工が簡単にでき、補修材料にも適しています。離脱防止金具付きで、管の抜けを防ぎます。一時止水での利用や、廃止管の栓として適しています。■用途上水道配管、排水配管、海水配管、エア配管など。■仕様使用温度:0~45℃使用圧力:1MPa■材質バーミキュラ鋳鉄...
最高使用圧力(MPa): 1使用温度範囲(℃): 0~45 -
フローバル 突合せ溶接継手 同心レデューサー1,190円~ (税込)
■特徴冷間曲げ加工、液圧成型法、板絞り加工法などで製造されており、ステンレス鋼管などと突合せ溶接することで永久的に配管接合することを目的としております。ステンレス製突合せ溶接管継手■用途ガスプラント、製油所、石油化学、プラント、造船などの配管など。■仕様JIS B2313規格品■材質ステンレス(SUS304W)...
-
ショーボンドマテリアル SBソケットSタイプ油・ガス用6,890円~ (税込)
■特徴油・ガス配管などのねじ込み部からの漏洩を補修することができます。流体を止めることなく作業できます。一本ボルトで簡単、安全に取付できます。■用途一般ねじ継手のねじ部からの油、ガス、水などの漏洩補修に。■仕様適合配管:ねじ込み式可鍛鋳鉄製管継手(JIS B2301)、ねじ込み式排水管継手(JIS B 2303)流体温度(℃):-20~80℃使用圧力:液体/1.0MPa、ガスなどの気体/0.7MPa■材質ケーシング/ボルト:ステンレス(SUS304)●ゴム:NBR...
-
川西水道機器 異種管継手 ポリエチレン管×鋼管用1,890円~ (税込)
■特徴分解不要、管を挿し込んで締めるだけで接続できます。管上スライド可能により補修や修繕工事に最適です。伸縮可とう機能があり外力を吸収できます。簡単施工で異種管接続ができます。■用途上水道配管、排水配管、海水配管、エア配管など。■仕様使用温度:0~45℃使用圧力:1MPa■材質バーミキュラ鋳鉄...
最高使用圧力(MPa): 1使用温度範囲(℃): 0~45L1(mm)最小: 10 -
川西水道機器 SKXパイプエンド 鋼管用1,190円~ (税込)
■特徴簡単に早く管接続ができます。パイプを突っ込んで締めるだけで施工完了です。伸縮可とう機能があり外力を吸収できます。取り外し、再施工が簡単にでき、補修材料にも適しています。ねじ切り作業不要で接続できます。■用途 上水道配管、排水配管、海水配管、エア配管など。■仕様使用温度:0~45℃使用圧力:1MPa■材質バーミキュラ鋳鉄...
最高使用圧力(MPa): 1使用温度範囲(℃): 0~45 -
フローバル 突合せ溶接継手 90゜エルボロング819円~ (税込)
■特徴冷間曲げ加工、液圧成型法、板絞り加工法などで製造されており、ステンレス鋼管などと突合せ溶接することで永久的に配管接合することを目的としております。ステンレス製突合せ溶接管継手■用途ガスプラント、製油所、石油化学、プラント、造船などの配管など。■仕様JIS B2313規格品■材質ステンレス(SUS304W)...
-
川西水道機器 SKXめねじ付ソケット 塩ビ管用1,190円~ (税込)
■特徴簡単に早く管接続ができます。パイプを突っ込んで締めるだけで施工完了です。伸縮可とう機能があり外力を吸収できます。取り外し、再施工が簡単にでき、補修材料にも適しています。管の面取りや接着剤塗布が不要で接続できます。■用途上水道配管、排水配管、海水配管、エア配管など。■仕様使用圧力:1MPa塩ビ管用使用温度:0~45℃■材質バーミキュラ鋳鉄...
最高使用圧力(MPa): 1使用温度範囲(℃): 0~45 -
川西水道機器 鋼管用(離脱防止金具付タイプ)1,890円~ (税込)
■特徴分解不要、管を挿し込んで締めるだけで接続できます。伸縮可とう機能があり外力を吸収できます。取り外し、再施工が簡単にでき、補修材料にも適しています。取り外し、再施工が簡単にでき、仮設配管にも適しています。ねじ切り作業不要で接続できます。■用途上水道配管、排水配管、海水配管、エア配管など。■仕様使用温度:0~45℃使用圧力:1MPa■材質バーミキュラ鋳鉄...
最高使用圧力(MPa): 1使用温度範囲(℃): 0~45L1(mm)最小: 10 -
川西水道機器 鋼管用継手 SKX45゜エルボ2,290円~ (税込)
■特徴分解不要、管を挿し込んで締めるだけで接続できます。管上スライド可能により補修や修繕工事に最適です。伸縮可とう機能があり外力を吸収できます。取り外し、再施工が簡単にでき、補修材料にも適しています。ねじ切り作業不要で接続できます。■用途上水道配管、排水配管、海水配管、エア配管などに。■仕様使用圧力:1MPa■材質バーミキュラ鋳鉄...
最高使用圧力(MPa): 1使用温度範囲(℃): 0~45 -
ショーボンドマテリアル ストラブ・グリップ Gタイプ油・ガス用8,990円~ (税込)
ショーボンドマテリアル SHO-BONDカップリングストラブ・グリップGタイプ20A油・ガス用 90 x 55 x 45 mm G-20NSS●溶接・ ネジ切り不要で、トルクレンチ一本で配管を接続できます。●グリップリングとシールゴムにより、高い耐脱管性能とシール性能を実現しました。●作業時間短縮で人的コストを削減できます。●油、ガス、給水など各種配管の接続に。ショーボンドマテリアル SHO-BONDカップリングストラブ・グリップGタイプ20A油・ガス用 90 x 55 x 45 mm G-20NSSの特徴●呼び径(A):20●呼び径(B):3/4●ケーシング幅(mm):47.3●ゴムリップ間隔(mm):18●締付けボルト六角穴サイズ(mm):5●標準トルク値(N・ m):6●適用配管:配管用炭素鋼鋼管/VLP/PLP/ステンレス鋼管●適用流体:油、ガス、水●流体温度:-20℃~80℃●使用圧力:液体/鋼管2.0MPa、SUS管1.6MPa気体/1.0MPa●日本水道協会認証品ショーボンドマテリアル SHO-BONDカップリングストラブ・グリップGタイプ20A油・ガス用 90 x 55 x 45 mm G-20NSSの仕様 材質●ケーシング/ボルト:ステンレス(SUS304)●ゴム:NBR 原産国日本G20NSS __snahost = "r3.snva.jp"; recoConstructer( } }); ...
-
川西水道機器 内外面被覆鋼管用継手 SKXおねじ付ソケット2,890円~ (税込)
■特徴分解不要、管を挿し込んで締めるだけで接続できます。管上スライド可能により補修や修繕工事に最適です。伸縮可とう機能があり外力を吸収できます。取り外し、再施工が簡単にでき、補修材料にも適しています。内外面被覆鋼管の被覆剥ぎ作業やねじ切り作業不要で接続できます。■用途上水道配管、排水配管、海水配管、エア配管などに。■仕様使用圧力:1MPa■材質バーミキュラ鋳鉄...
最高使用圧力(MPa): 1使用温度範囲(℃): 0~45L1(mm)最小: 10
138件(1~48件)










































































